Pökomat P18/320Drucken
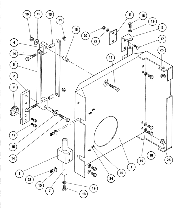
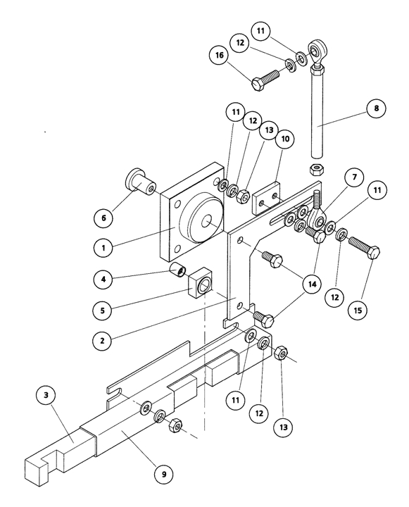
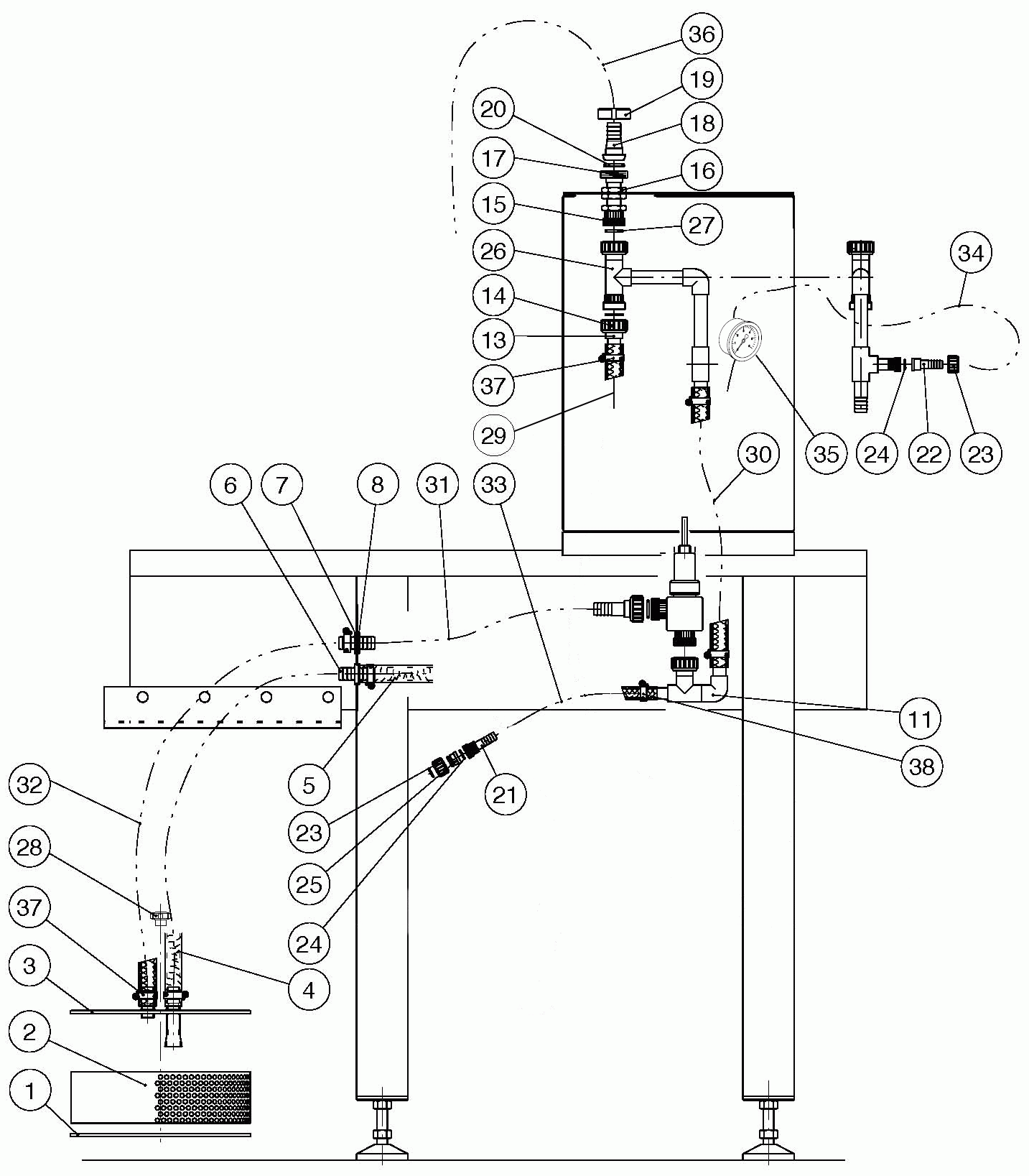
Baugruppenübersicht
Vorschub und Rück...
Bedientableau II ...
Bedientableau I
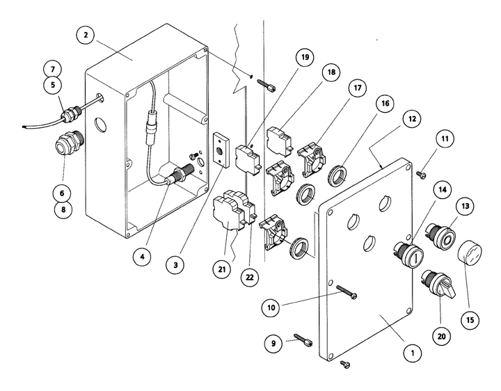
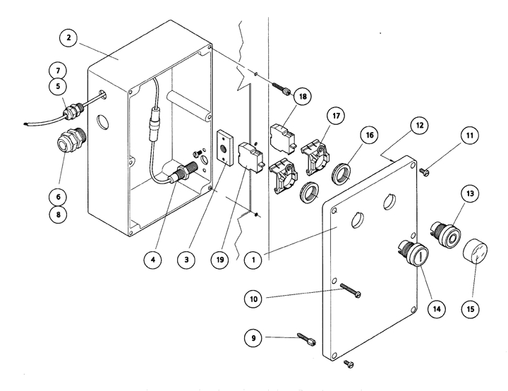
Schaltkasten
Rücklauffilter
Lakeführung
Ventil
Pumpe INOX
Einbau INOX-Pumpe...
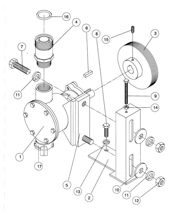
Messing-Pumpe
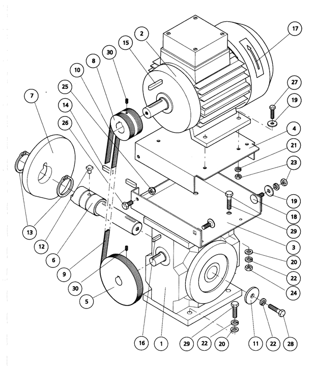
Einbau Messing-Pu...
Transportschlitte...
Transportbandantr...
Gehäuse
Vorschubgestänge...
Vorschubverstellu...
Vorschubverstellu...
Vorschubantrieb
Antriebseinheit 6...
Antriebseinheit 5...
Verteilrohr INOX...
Verteilrohr PP
Nadelführung
Nadelschlitten
Schutzhaube
Fussgestell
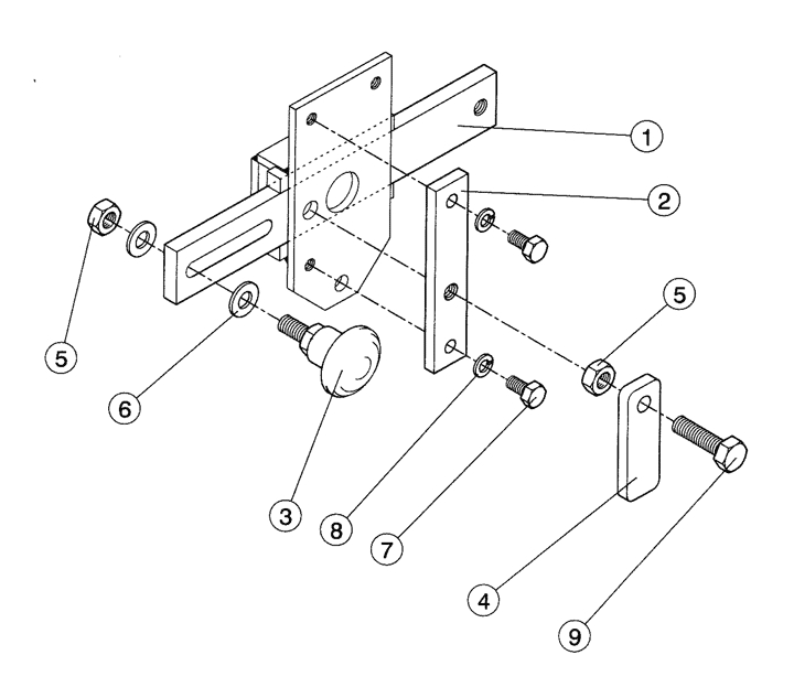
Explosionszeichnung: Einbau Messing-Pumpe
Ersatzteile - Stückliste: // Pökomat P18/320 // Einbau Messing-Pumpe
| Pos. | Menge | Benennung | Teilenummer | Bemerkung | Anzahl |
|---|
| 1 | 1 | Jabsco Pumpe | 04659 | ||
| 2 | 1 | Pumpenwinkel | 03114 | ||
| 3 | 1 | Riemenscheibe | 03183 | ||
| 4 | 1 | Schraubanschluss | 03617 | ||
| 5 | 1 | Gewindeplatte | 03160 | ||
| 6 | 1 | Keil | 03616 | ||
| 7 | 2 | 6kt-Schraube | 05045 | ||
| 8 | 2 | 6kt-Schraube | 05024 | ||
| 9 | 1 | 6kt-Schraube | 05011 | ||
| 10 | 2 | U-Scheibe | 05289 | ||
| 11 | 4 | Federring | 05296 | ||
| 12 | 2 | Mutter | 05236 | ||
| 13 | 2 | Federring | 05295 | ||
| 14 | 1 | Mutter | 05234 | ||
| 15 | 1 | Gewindestift | 05223 | ||
| 16 | 1 | O-Ring | 05374 | ||
| 17 | 1 | Schlauchkupplung | 03394 |
0 Artikel