Pökomat P10/300Drucken
Baugruppenübersicht
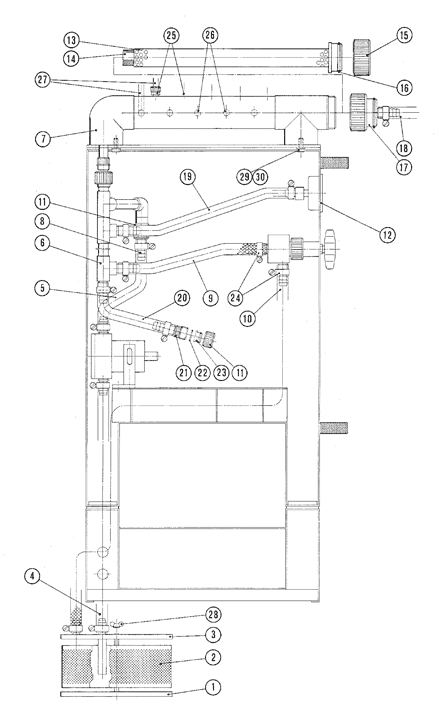
Explosionszeichnung: Elektrische Schalteinheit Umbau von CMC auf PKZM
Ersatzteile - Stückliste: // Pökomat P10/300 // Elektrische Schalteinheit Umbau von CMC auf PKZM
| Pos. | Menge | Benennung | Teilenummer | Bemerkung | Anzahl |
|---|
| 1 | Umbaukit auf PKZM Kpl. | 03790 | |||
| 1 | 1 | Sicherungshalter | 02951 | ||
| 2 | 1 | Sicherung | 01348 | ||
| 3 | 1 | Kabelverschraubung | 06001 | ||
| 4 | 1 | Reduktion | 06169 | ||
| 5 | 1 | Gehäuse kpl. mit Deckel IP55 | 03783 | ||
| 6 | 4 | Flachkopfschraube | 05131 | ||
| 7 | 1 | Erd- und Nulleiter | 06197 | ||
| 8 | 2 | Distanzbolzen | 03791 | ||
| 9 | 1 | Reduktion | 06026 | ||
| 10 | 1 | Kabelverschraubung | 06009 | ||
| 11 | 1 | Schalter m. Unterspannungsauslöser | 06199 | ||
| 12 | 1 | Bohrschablone für Umbau PKZM | 03785 | ||
| 13 | 1 | Dichtgummi | 02677 | ||
| 14 | 1 | Tastfenster zu PKZM | 02312 |
0 Artikel